XBB Dongle & Power Unit OBD-lisävalon kytkentälaite 9-32V








- Tuotekoodi: 1605-WK070
- EAN: 6438255400704
- Heti tilattavissaTuotteet lähetetään 1-2 arkipäivässä
- Toimituskulut alkaen 0,00 €Nouto myymälästä0,00 €
XBB Dongle + Power Unit OBD kytkentälaite lisävalon kytkentään
HUOM! tarkista XBB Donglen sopivuus ajoneuvoosi tästä
Uudenlainen lisävalojen ja muiden lisälaitteiden kytkentälaite, jolla heräte saadaan suoraan auton OBD-pistokkeesta. OBD-pistokkeeseen laitettava Dongle-unit saa lisävalojen herätetiedon suoraan auton CAN-väylästä ja lähettää sen langattomasti Power Unit - releelle. ODB-portti sijaitsee usein kuljettajan jalkatilasta.Power unit - rele kytketään lisävalojen kytkentäsarjan tavallisen releen tilalle. (huom 15A+5A virrankesto).
Dongle –unit konfiguroidaan puhelimeen ladattavalla XBB-apilla ja se on saatavilla android- ja ios käyttöjärjestelmiin. Langaton tiedonsiirto laitteiden välillä helpottaa ja nopeuttaa asennusta, kun ajoneuvon sisätilan ja konehuoneen väliin ei tarvitse vetää piuhoja.
Jos lisävalosi teho ylittää 180W, ei Power Unitin releen 15A tehonkesto sitä kestä. Tällöin XBB ja lisävalon väliin tulisi asentaa ylimääräinen tavallinen kytkentärele mitä Power Unit rele ohjaa. Kytkentäreleen tulisi olla ominaisuuksiltaan sellainen, että se kestää lisävalon tehon. Kytkentäkaavio tuotekuvissa.
Vinkki!
Valmis relejohtosarja XBB releen asennukseen
Voit Halutessasi asentaa myös peruutusvalot erillisen Powerunit releen kanssa. Voit yhdistää molemmat releet samaan Dongleen.
Sekä lisävarusteena on saatavilla XBB SmartButton, jonka avulla voidaan lisävaloa ohjata langattomasti.
Tekniset tiedot:
- Jännite: 9-36V
- Tehonkesto: 15A+5A
- Rele ja Dongle keskustelevat langattomasti, joten piuhoja ei tarvitse vetää auton sisätiloihin.
- Useimmissa relesarjoissa maa- ja herätepaikat ovat älyreleeseen nähden väärinpäin ja niiden paikka tulisi vaihtaa/varmistaa. Sopii mm. suoraan WK014 relesarjan kanssa, WK018 relesarjaan täytyy maan ja herätteen liitinpaikat vaihtaa toisinpäin.
- Parhaimman yhteyden varmistamiseksi, tulisi PowerUnit rele sekä Dongle sijoittaa mahdollisimman lähelle toisiaan.
- Tämän asennussarjan kanssa ei tarvitse miettiä Can-väylä johtojen paikallistamista!
- Asennus on helppoa ja turvallista
- Takuu: 12kk.
Lisävalon kytkentä XBB OBD Kytkentälaitteen avulla:
- Kytke XBB Dongle ajoneuvon OBD porttiin.
- Vaihda johtosarjan kytkentärele XBB Power unit releeseen ja poista sulake johtosarjasta
- Kytke johtosarja ajoneuvoon (herätejohtoa ei tarvitse kytkeä, suojaa/poisto johto käytöstä)
- Sulake takaisin
- Käynnistä XBB Configuration sovellus
- Dongle yhdistetään autoon valitsemalla listauksesta automallisi (jos Dongle ei näy listauksessa, irrota ja kytke se uudestaan OBD porttiin)
- Onnistuneen yhteyden jälkeen sovelluksen tulisi näyttää sovelluksessa ajoneuvosi valojen statukset
- Testaa, että sovellus näyttää haluttujen toimintojen toimivan. Sovellus osoittaa toimivuuden punaisella ja vihreillä värikoodeilla. Esimerkiksi ajoneuvon omien pitkien ollessa pois päältä Highbeam merkki on punainen. Kun kaikki on sujunut ongelmitta, pitkien syttyessä punainen väri vaihtuu vihreäksi.
- Power Unit rele yhdistetään sovelluksessa painamalla PowerUnits painiketta, tällöin sovellus näyttää lähimmät PowerUnit releet.
- Valitse listauksesta haluamasi rele ja yhdistä siihen
- Yhdistämisen jälkeen tulisi tarkastaa, että PowerUnit on asetettu High Beam asentoon, tällöin se ohjautuu toimimaan kaukovalojesi kanssa yhteen.
- Tallenna tehdyt muutokset
- Nyt lisävalosi tulisi toimia auton omien pitkien kanssa.
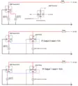
Power Unit releen kytkennät:
- 2 = +12V
- 6 = Maa
- 8 = Ulostulo #1 (Max 15A)
- 5 = Ulostulo #2 (Max 5A)
- 4 = Ei toimintoa ("Dummy")
| Tuotearviointi | |
| Palvelu/toimitus |
Tyyppi: XBB Dongle
Jännite: 9-36V
Kuvaus: Uudenlainen lisävalojen ja muiden lisälaitteiden kytkentälaite, jossa heräte saadaan suoraan auton OBD-pistokkeesta. OBD-pistokkeeseen laitettava Dongle-unit saa lisävalojen herätetiedon suoraan auton CAN-väylästä ja lähettää sen langattomasti Power Unit - releelle. Power unit - rele voidaan kytkeä lisävalojen kytkentäsarjan tavallisen releen tilalle. (huom 15A+5A virrankesto). Dongle –unit konfiguroidaan puhelimeen ladattavalla XBB-apilla ja se on saatavilla android- ja ios-käyttöjärjestelmiin. Langaton tiedonsiirto laitteiden välillä helpottaa ja nopeuttaa asennusta, kun autojen sisätilan ja konehuoneen väliin ei tarvitse vetää piuhoja. Dongleen voi enintään kytkeä neljä 1605-WK-070-1 lisärelettä tai yhden 1605-WK078 Smart Buttonin ja kolme lisärelettä.
Mallinimike: Dongle